Mr. Burns
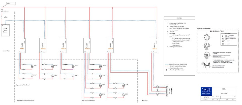
As the Master Electrician of this “post-electric show,” I was challenged to develop a series of practicals that could imitate the lighting properties of a live flame. Most of these practicals (electric props) required wireless DMX control and were powered by different types of batteries.
In addition to the technical design and build of these practicals, I was responsible for the implementation, installation, and operation of the entire electric system. The most important tasks I performed as the Master Electrician include budgeting the requirement, create the DMX and circuit plot, and managing the crew and their schedule.
About the show: In the aftermath of a catastrophic nuclear event, a ragtag band of survivors forges a sense of community by recounting episodes of The Simpsons and other bits of pop culture. Generations later, their memories have transformed into an epic myth for a new post-apocalyptic society. Mr. Burns is an incisive dark comedy about the commercialization of art, the human impulse for storytelling, and what’s left when everything else has been destroyed.
ESP
Como jefe de iluminación de este espectáculo tuve el desafío de desarrollar objetos de utilería que pudiesen imitar las propiedades lumínicas de una llama de fuego. La mayor parte de esos elementos requerían control inalámbrico DMX y baterías.
Además del diseño técnico y la construcción de esta utilería, fui responsable de la implementación, instalación y operación de todo el sistema eléctrico. Las tareas más importantes que desempeñé incluyen la elaboración de presupuesto, creación de planos de circuitos y DMX, además de de planificar las tareas y llamados del equipo técnico.
Role |
Master Electrician |
For |
Yale School of Drama |
Date |
October – November 2019 |
Type |
Master Electrician / Tech Design |
URL |
issuu.com/yalerep/docs/mrburns-program-web?fr=sYTZhZjQ2NjIx |
Directed By |
Kat Yen |
Lighting Designer |
Riva Fairhall |

Image courtesy of Yale School of Drama





Technical Design


Tech Design










Barrel Tech Design

Fire Barrel Tech Design



