M-Driver & Chaos
Design, construction and programming an automation controller for theater.
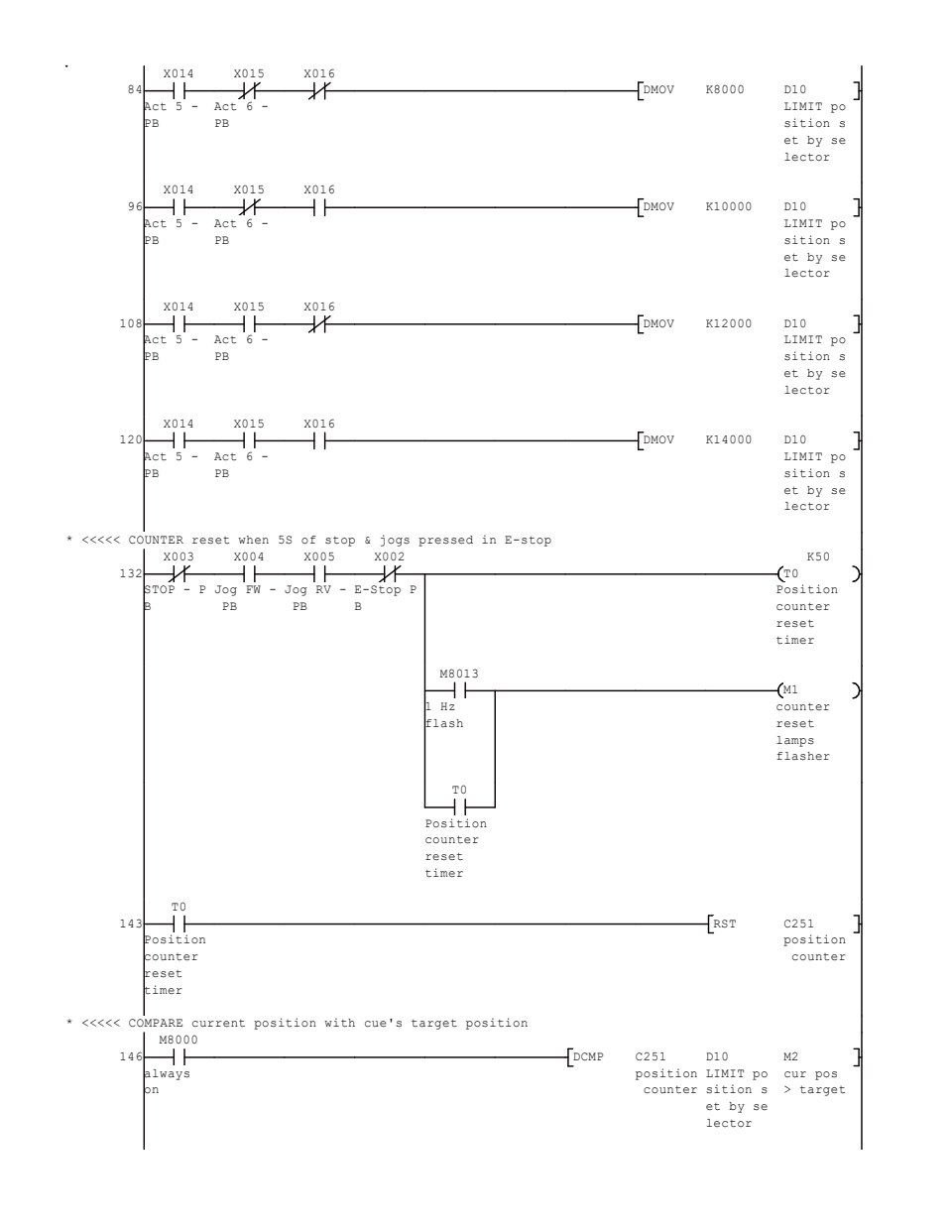
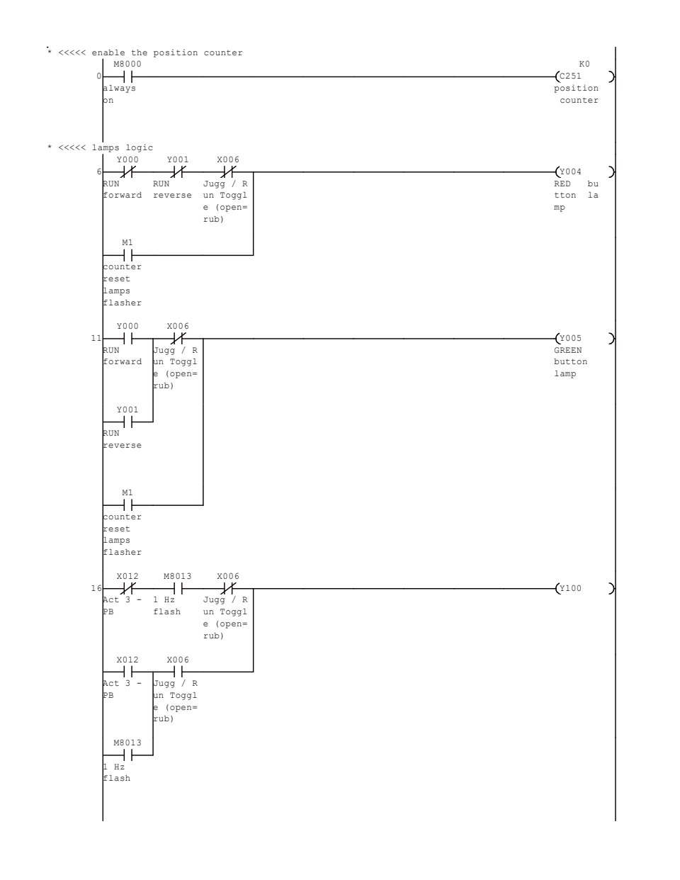
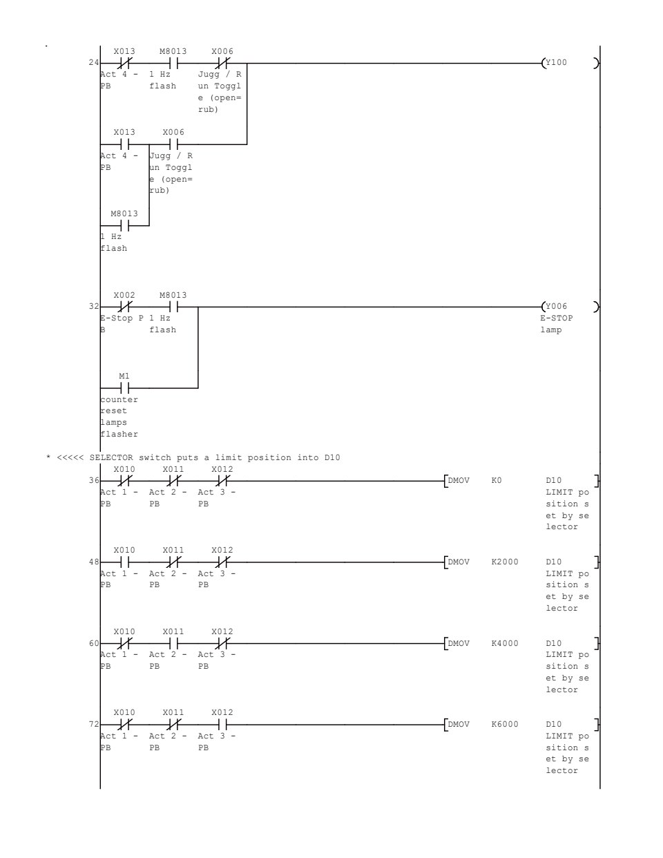
The M-Driver is a single axis standalone motion controller designed to move a stage wagon. With a Mitsubishi(™) motor driver on board and four limit switches, this controller provides relative positioning feedback making it a safe and very easy to use motor controller for the theater industry. The design of the controller you is very much like the Deck Chief(™)
motor controller that Creative Conners, Inc. sells for about $2,500. Compared to the Conners version, the M-Driver does not have a Programmable Logic Controller (PLC) on board. Instead, a series of wired interlocking connections have been added to the design to replace the functionalities of a PLC.
.













/background(fff)/960x1242.jpeg?auto=webp)
/background(fff)/960x1242.jpeg?auto=webp)
/background(fff)/960x1242.jpeg?auto=webp)
/background(fff)/960x1242.jpeg?auto=webp)
/background(fff)/960x1242.jpeg?auto=webp)
/background(fff)/960x741.jpeg?auto=webp)
/background(fff)/960x621.jpeg?auto=webp)

